カレンダー
今日
店休日
トップページ
>
ハウジング・ブラケット
>
屋外用ブラケット
【BR-U140A】防犯カメラ・監視カメラ屋外ポール取付金具(バンド式:50~400mm)(返品不可)
■ ポール取付アタッチメント
・ポールにカメラを取付ける際に便利なアタッチメント金具
・ステンレスバンドで固定
■ 規格
適合ポール径 φ50~φ400mm
ポール取付けの際には、必ず上下2箇所ステンレスバンドを取付けてください。
ステンレスバンド取付け時には手や眼などを負傷しないよう保護手袋、保護眼鏡などを着用し安全な服装で作業してください。
カメラには、落下防止用のワイヤーなどを取付けてください。
拡大表示
【BR-U140A】防犯カメラ・監視カメラ屋外ポール取付金具(バンド式:50~400mm)(返品不可)
販売期間:
価格:
6,050円 (税込)
購入数:
個
返品についての詳細はこちら
この商品について問い合わせる
友達にメールですすめる
■ 取付可能製品
取付ブラケット
取付ブラケット
■ ポールバンド
ステンレスポールバンド
ステンレスポールバンド
使用場所
屋内・屋外
適合ポール
φ50~φ400mm
材質
硬質アルミニウム
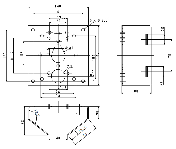
外形寸法
約 140(高)×140(幅)×68(奥)mm
重量
約 440g
付属品
ボルト×4
ナット×4
ネジ×4
フランジナット×4
※ステンレスバンドは付属しておりません。
page top